|
液環真空泵2BE系列

質優的配件保證優質的產品
--軸承為優質的進口軸承
--葉輪為球墨鑄鐵或優質的板材、不銹鋼材質
--皮帶輪采用脹套連接
--機械密封為進口機械密封
--泵體的優化設計保證最佳的抽氣效果
優質高效的服務,解除你的后顧之憂
--所有齊真產品及系統均由齊真公司予以全面質量保證,以解除你的后顧之憂
--快速高效的售后服務, 避免你的巨大損失

2BE 液環真空泵性能指標 表一

2BE 液環真空泵性能指標 表二

2BE202-253(直聯)安裝尺寸圖
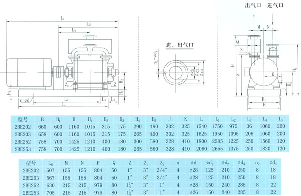
2BE202-253(皮帶)安裝尺寸圖

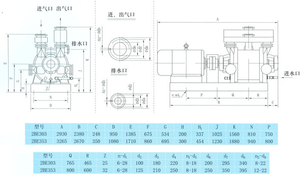
2BE303-353(直聯)安裝尺寸圖
|